Регуляторы давления газа магистральные РДО-1-16/25, РДО-1-16/50, РДО-1-16/100, РДО-1-16/150, РДО-1-16/200, РДО-1-50/25, РДО-1-50/50, РДО-1-50/100, РДО-1-50/150, РДО-1-50/200, РДО-1-100/25, РДО-1-100/50, РДО-1-100/100, РДО-1-100/150, РДО-1-100/200
Регуляторы типа РДО-1 предназначены для использования в системах автоматического управления параметрами газовых сред промышленных технологических процессов (опасные производственные объекты магистрального трубопроводного транспорта, сети газораспределения и газопотребления) для регулирования и стабилизации выходного давления любой газообразной среды, кроме агрессивной.
Регуляторы РДО предназначены для эксплуатации в помещениях или под навесом при отсутствии прямого воздействия солнечного излучения и атмосферных осадков при температуре окружающего водуха от -30 до +50 °С и верхнем значении относительной влажности окружающего воздуха 95%, при температуре +35 °С и более низких температурах без конденсации влаги.
Основные технические характеристики
| Параметры изделия | РДО-1-***/25 | РДО-1-***/50 | РДО-1-***/100 | РДО-1-***/150 | РДО-1-***/200 | |
|---|---|---|---|---|---|---|
| Температура окружающей среды, °С | от -30 до +50 | |||||
| Температура регулируемой среды, °С | от -10 до +70 | |||||
| Диаметр условного прохода, DN, мм | 25 | 50 | 100 | 150 | 200 | |
| Коэффициент условной пропускной способности, Kv, м³/час | 15 | 50 | 166 | 344 | 516 | |
| Габаритно-присоединительные размеры, мм | - D | 74 | 111 | 193 | 267 | 321 |
| - d | 25 | 51 | 102 | 152 | 203 | |
| - L | 175 | 233 | 300 | 441 | 502,5 | |
| - H | 321 | 356,5 | 429,5 | 511 | 565,5 | |
| - h | 284,5 | 301,5 | 343 | 378 | 399,5 | |
| - h1 | 204 | 221 | 263 | 298 | 319,5 | |
| Строительная длина, l , мм | 87 | 133 | 174 | 205,5 | ||
| Масса, кг, не более | 7,3 | 9,7 | 20,5 | 38,3 | 61,5 | |
| Для регуляторов РДО-1 с Ру-1,6 МПа | РДО-1-16/25 | РДО-1-16/50 | РДО-1-16/100 | РДО-1-16/150 | РДО-1-16/200 | |
| Максимальное входное давление, МПа (кгс/см²) | 1,6 (16) | |||||
| Максимальная пропускная способность, м³/час | 3400 | 12750 | 46750 | 102000 | 161500 | |
| Диапазон настройки выходного давления, МПа | 0,005-1,2 | |||||
| Для регуляторов РДО-1 с Ру-5,0 МПа | РДО-1-50/25 | РДО-1-50/50 | РДО-1-50/100 | РДО-1-50/150 | РДО-1-50/200 | |
| Максимальное входное давление, МПа (кгс/см²) | 5,0 (50) | |||||
| Максимальная пропускная способность, м³/час | 10200 | 38250 | 140250 | 306000 | 484500 | |
| Диапазон настройки выходного давления, МПа | 0,07-4,2 | |||||
| Для регуляторов РДО-1 с Ру-10,0 МПа | РДО-1-100/25 | РДО-1-100/50 | РДО-1-100/100 | РДО-1-100/150 | РДО-1-100/200 | |
| Максимальное входное давление, МПа (кгс/см²) | 10,0 (100) | |||||
| Максимальная пропускная способность, м³/час | 20200 | 75750 | 277750 | 606000 | 959500 | |
| Диапазон настройки выходного давления, МПа | 0,07-4,2 | |||||
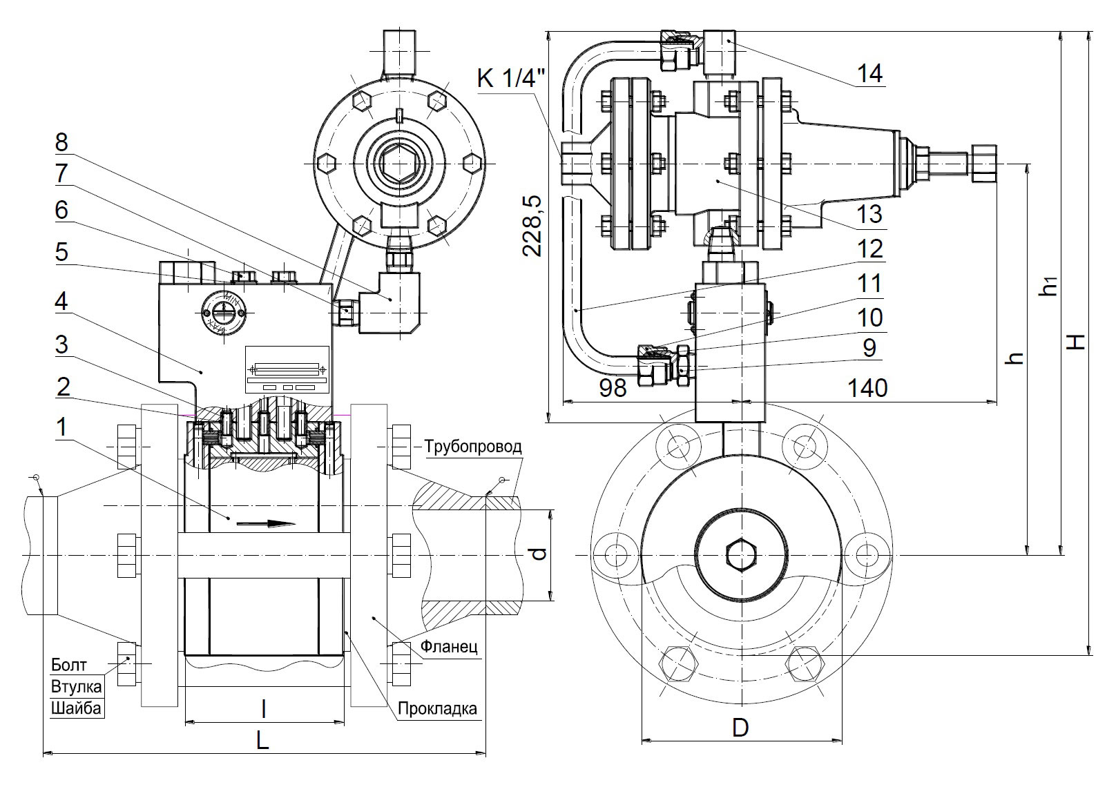
Габаритные и присоединительные размеры

1 - клапан КэО-01
2 - кольцо
3 - втулка
4 - распределитель
5 - шайба
6 - болт
7 - проходник
8 - угольник
9 - переходник
10 - врезающееся кольцо
11 - гайка
12 - трубка
13 - регулятор РДС-ПС(ДС)
14 - угольник