УГРШ-100Н-О, УГРШ-100В-О, УГРШ-100Н, УГРШ-100В Установка газорегуляторная шкафная
Возможны следующие варианты исполнения УГРШ-100: С одной линией редуцирования и байпасом, с основной и резервной линией редуцирования, с узлом учета газа, с газовым обогревом, с комплексами телеметрии и системами диспетчеризации. Установка применяется для газоснабжения объектов с максимальным расходом газа не более 25.000 м3/ч. и диапазоном входящих давлений от 0.05 МПа до 1.2 МПа. Установка состоит из металлического шкафа, в котором смонтировано технологическое оборудование. Для удобства обслуживания в шкафу с двух сторон имеются дверки, обеспечивающие доступ к технологическому оборудованию. Для обогрева установки в холодное время года предназначены два обогревателя (газогорелочные устройства).
Технические характеристики
| Наименование параметра или размера | УГРШ-100Н-О | УГРШ-100В-О | УГРШ-100Н- | УГРШ-100В |
| Регулятор давления газа | РДП-100Н(В) | |||
| Рабочая среда | природный газ по ГОСТ 5542-87 | |||
| Диапазон входных давлений, МПа | 0,05-1,2 | 0,1-1,2 | 0,05-1,2 | 0,1-1,2 |
| Диапазон выходных давлений, МПа | 0,0015-0,06 | 0,06-0,6 | 0,0015-0,06 | 0,06-0,6 |
| Пропускная способность, м³/ч, не менее | ||||
| при Рвх=0,05 МПа | 3130 | |||
| при Рвх=0,1 МПа | 4170 | |||
| при Рвх=0,2 МПа | 6260 | |||
| при Рвх=0,3 МПа | 8350 | |||
| при Рвх=0,4 МПа | 10440 | |||
| при Рвх=0,5 МПа | 12520 | |||
| при Рвх=0,6 МПа | 14610 | |||
| при Рвх=0,7 МПа | 16700 | |||
| при Рвх=0,8 МПа | 18790 | |||
| при Рвх=0,9 МПа | 20880 | |||
| при Рвх=1,0 МПа | 22960 | |||
| при Рвх=1,1 МПа | 25050 | |||
| при Рвх=1,2 МПа | 27090 | |||
| Пределы настройки контролируемого давление клапана ПКН(В)-100, МПа | ||||
| нижний предел | 0,0003-0,003 | 0,003-0,03 | 0,0003-0,003 | 0,003-0,03 |
| верхний предел | 0,002-0,075 | 0,03-0,75 | 0,002-0,075 | 0,03-0,75 |
| Диапазон настройки предохранительного сбросного клапана ПСК 50, МПа | 0,005-0,125 | 0,125-1 | 0,005-0,125 | 0,125-1 |
| Стабильность поддержания выходного давления, %, не более | ±5 | |||
| Вид теплоносителя | продукты сгорания природного газа | - | ||
| Тепловая мощность горелки, кВт | 1,85+0,185-0,09 | - | ||
| Расход газа на горелку, м³/ч | от 0,16 до 0,25 | - | ||
| Время выключения горелки при прекращении подачи газа, с, не более | 90 | - | ||
| Время включения горелки, с, не более | 90 | - | ||
| Соединение с газопроводом | ||||
| вход Ду | 100 | |||
| выход Ду | 200 | |||
| Габаритные размеры, мм, не более | ||||
| длина | 3150 | 3150 | ||
| ширина | 1280 | 1280 | ||
| высота | 2110 | 1940 | ||
| Масса, кг, не более | 1750 | 1650 | ||
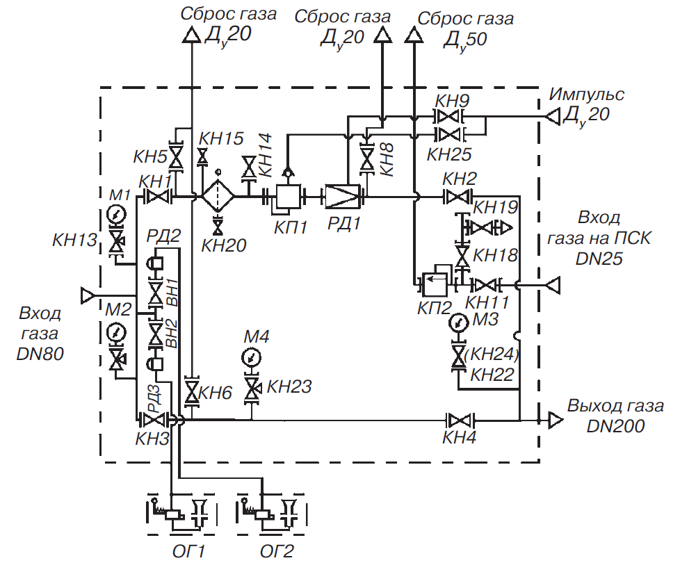
Схема пневматическая функциональная УГРШ-100

Схема пневматическая функциональная УГРШ-100
КН1–КН6, КН8, КН9, КН11, КН14, КН15, КН18–КН20, КН24, КН25, ВН1, ВН2 — запорная арматура; КН12, КН13, КН22, КН23 — клапан трехходовой; Ф — фильтр; М1-М4 — манометры показывающие; КП1— клапан предохранительный запорный; КП2 — клапан предохранительный сбросной; РД1–РД3, — регуляторы давления газа; ОГ1, ОГ2 — обогреватели.
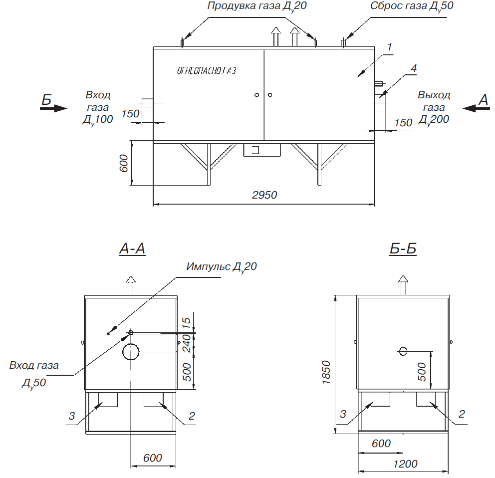
Габаритный чертеж УГРШ-100
