Газорегуляторный пункт ГСГО-50-СГ-ЭК, ГСГО-50/25-СГ-ЭК, ГСГО-50/25-СГ100-ЭК
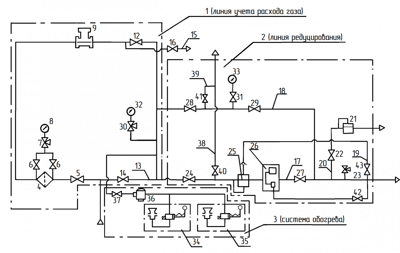
Газорегуляторные пункты ГСГО-50-СГ-ЭК, ГСГО-50/25-СГ-ЭК, ГСГО-50/25-СГ100-ЭК с узлом учета расхода газа предназначены для редуцирования газа с высокого или среднего давления на требуемый уровень и поддержания его на заданных отметках в системах газоснабжения (жилых, коммунально-бытовых зданий, промышленных и сельскохозяйственных объектов), а также газорегуляторные пункты шкафные используются для коммерческого учета расхода газа.
ГСГО-50/25-СГ-ЭК представляет собой газорегуляторный пункт в шкафном исполнении, выполненный на базе регулятора давления газа РДБК-50/25 и оснащенный узлом учета расхода газа.
Технические характеристики ГСГО-50-СГ-ЭК:
Регулируемая среда — природный газ по ГОСТ 5542-87.
Давление на входе — 1,2 МПа.
Регулятор давления газа: РДБК1-50;
Счетчик газа: СГ16М-400 (или другой по желанию заказчика)
0,1 МПа — 800, (320)*, (200)** м³/ч;
0,3 МПа — 1600, (600)*, (400)** м³/ч;
0,6 МПа — 2800, (1000)*, (700)** м³/ч;
0,9 МПа — 4000, (1400)*, (1000)** м³/ч;
1,2 МПа — 5200, (2000)*, (1300)** м³/ч.
Тепловая мощность обогревателя при давлении газа 2000 Па — 1920 Вт.
Расход газа на обогреватель при давлении газа 2000 Па — 0,2 м³/ч.
Время отключения обогревателя — 90 с.
Время отключения обогревателя при прекращении подачи газа — 90 с.
Приведение измеренного рабочего объема газа к объему при стандартных условиях — электронный корректор.
Диапазон температуры измеряемой среды — от −20° С до +50° С.
Габаритные размеры:
длина — 3120 мм;
ширина — 1050 мм;
высота — 2100 мм.
Масса — 1000 кг.
| Наименование параметра. |
ГСГО-50-СГ. ГСГО-50/25-СГ. ГСГО-50-(50/25) -СГ-ЭК. |
ГСГО-50 -СГ-01. ГСГО-50/25 -СГ-01. ГСГО-50 -(50/25) -СГ-01-ЭК. |
ГСГО-50 -СГ-02. ГСГО-50/25 -СГ-02. ГСГО-50 -(50/25) -СГ-02-ЭК. |
ГСГО-50 -СГ-03. ГСГО-50/25 -СГ-03. ГСГО-50 -(50/25) -СГ-03-ЭК. |
ГСГО-50 -СГ-04. ГСГО-50/25 -СГ-04. ГСГО-50 -(50/25) -СГ-04-ЭК. |
ГСГО-50 -СГ-05. ГСГО-50/25 -СГ-05. ГСГО-50 -(50/25) -СГ-05-ЭК. |
ГСГО-50 -СГ-06. ГСГО-50/25 -СГ-06. ГСГО-50 -(50/25) -СГ-06-ЭК. |
| Давление на входе, МПа |
1,2 |
1,2 |
1,2 |
1,2 |
1,2 |
1,2 |
1,2 |
| Диапазон настройки давления на выходе, МПа. |
0,001 0,004 |
0,004 0,016 |
0,016 0,04 |
0,04 0,06 |
0,06 0,1 |
0,01 0,25 |
0,25 0,6 |
| Пропускная способность, м3/ч для газа y=0,73 кг/м3 мах при Рвх= 0,1 МПа 0,3 МПа 0,6 МПа 0,9 МПа 1,2 МПа |
Для ГСГО-50-СГ ГСГО-50-СГ-ЭК 700 1200 2600 4000 5200 |
Для ГСГО-50/25-СГ ГСГО-50/25-СГ-ЭК** 300 600 1000 1400 2000 |
|||||
| Тепловая мощность обогревателя, Квт, не более | 0,96 | ||||||
| Расход газа на обогреватель при давлении 2000 Па, м3/ч |
0,1 |
||||||
| Габаритные размеры, мм, длина ширена высота |
3120 1050 2000 |
||||||
| Масса, кг, не более | 1000 | ||||||
| * На базе регулятора РДБК 1(1П)-50/25 ** С электронным корректором |
|||||||
