Газорегуляторный пункт блочный ГРПБ-03БМ-У1
ГРПБ применяются для редуцирования высокого или среднего давления на требуемое, автоматического поддержания заданного выходного давления независимо от изменения расхода и входного давления, автоматического отключения подачи газа при аварийных повышении и понижении выходного давления сверх допустимых значений, а также для коммерческого учета расхода газа.

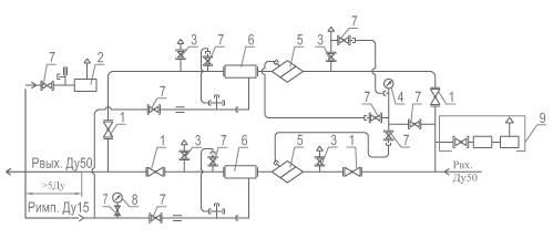
функциональная схема ГРПБ-03БМ-У1
1 — кран шаровой КШ-50 – 2 шт.; 2 — клапан предохранительный сбросной КПС-С – 1 шт; 3 — кран шаровой КШ-20 – 5 шт; 4 — манометр входной типа МТ – 1 шт; 5 — фильтр газовый типа ФГ – 1 шт; 6 — регулятор давления газа типа РДСК – 1 шт; 7 — кран шаровой КШ-15 – 8 шт; 8 — выходной манометр типа МТ – 1 шт; 9 — узел отопления с газовым обогревателем.
Технические характеристики ГРПБ-03БМ-У1
| Наименование размера или параметра | Величина в исполнении |
|---|---|
| Регулятор | РДСК-50БМ |
| Регулируемая среда | Природный газ по ГОСТ5542-87 |
| Давление на входе, Pвх, МПа | 1,2 |
| Диапазон настройки давления газа на выходе, кПа | 300 |
| Пропускная способность (для газа плотностью g=0,73 кг/м³), м³/ч |
1020 |
| Тепловая мощность газового обогревателя, кВт, не более | 7 |
| Масса, кг, не более | 1500 |